



产品参数电气特性 Electrical Characteristics:
| 项目 | 参数值 |
| 线性霍尔感应范围 Linear Hall Effect Sensor Range | +/-43mT |
| 额定电压 Rated Voltage | DC1.8V & 3.3V |
| 杂音 Noise | Less than 300m Vp-p |
| 中心位分压比Center Position Voltage | 50%±7% |
| 复位精度 Returning accuracy rate | ≤5.0% (Initial) |
| ≤6.3% (After Reliability test) |
机械特性 Mechanical Characteristics:
| 项目 | 参数值 |
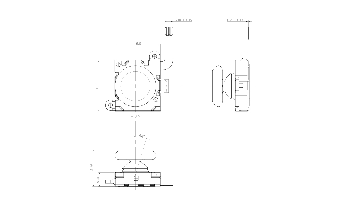
| 摇杆操作角度 Operation angle of Lever | Single side: 16.5°Typ. |
| 摇杆操作力 Operating force of Lever | 0.55±0.3 N |
| 中心按压力(开关) Center Switch force | 8.0 ± 2.0 N |
| 中心按压行程(开关) Center Switch Travel | 0.40 +0.4/-0.2 mm |
| 摇杆复归精度 Accuracy of Reset Position of Lever | ±3゚ |
耐久性能 Endurance Characteristics:
| 项目 | 参数值 |
| 旋转寿命 Rotational Life |
5,000,000 cycles以上 实力值:10,000,000 cycles以上 |
| 开关寿命 Durability of switch | 1,000,000 cycles以上 |
