MG3NM-Joystick
产品简介:
  • SR球面机构, 所有方向上均一的操作感
  • 高寿命
  • 漂移对策
产品参数

电气特性 Electrical Characteristics:

项目 参数值
线性霍尔感应范围  +/-130mT
Linear Hall Effect Sensor Range
额定电压 Rated Voltage DC2.8V ~ 5.5V
杂音 Noise Less than 300m Vp-p
中心位分压比Center Position Voltage 50%±7%
复位精度 Returning accuracy rate ≤5.0% (Initial)
≤6.3% (After Reliability test)



机械特性 Mechanical Characteristics:

项目 参数值
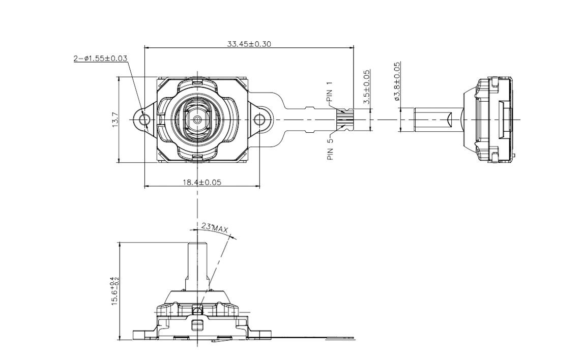
摇杆操作角度 Operation angle of Lever Single side: 23°Max.
摇杆操作力 Operating force of Lever 7 +5/-3 mN·m
中心按压力(开关) Center Switch force 8.0 ± 2.0 N
中心按压行程(开关) Center Switch Travel 0.35 (+0.5/-0.25) mm
摇杆复归精度 Accuracy of Reset Position of Lever ±3°



耐久性能 Endurance Characteristics:

项目 参数值
旋转寿命 Rotational Life 5,000,000 cycles以上
实力值:10,000,000 cycles以上
开关寿命 Durability of switch 1,000,000 cycles以上
成品图